$690-4830 /Piece/Pieces
марка: Huawei
Origin: Китай
| Продажа единиц жилья | : | Piece/Pieces |
|---|
The file is encrypted. Please fill in the following information to continue accessing it
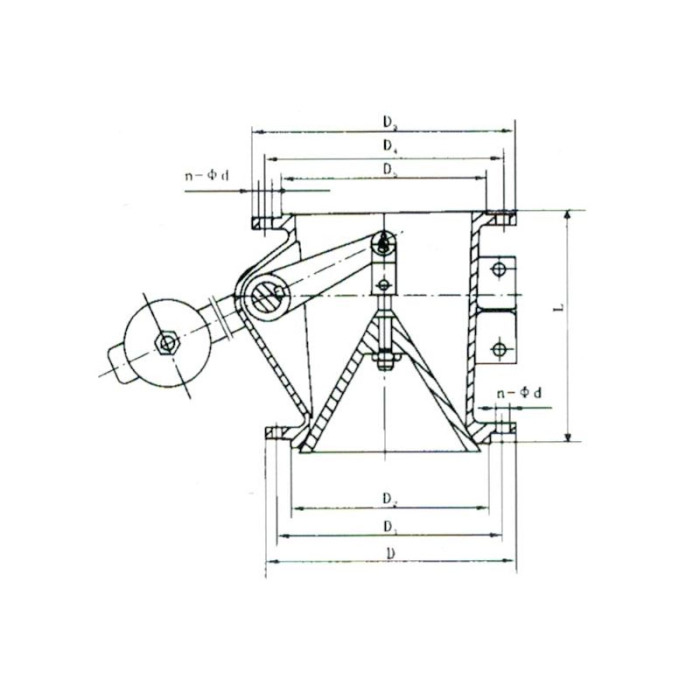
XH 40X-8, XH 40W-4 колоколонообразного ясенного разрядного клапана применяет шатун для вытягивания привода устройства для выполнения привода, а заглушка конического клапана завершает действие открытия и закрытия. Это также подходит для автоматического управления и удаленной работы.
Xh 40x-8-типа герметичная часть представляет собой мягкое резиновое уплотнение, этот клапан используется для угольной порошковой системы, передаваемой контролем системы впрыскивания угольной печи для плавки, часть герметизации типа XH 640x-8-это уплотнение материала тела клапана, этот клапан используется для управления пыли. системы удаления пыли. Вышеуказанные два типа колокольчиков пепельных разрядных клапанов также подходят для использования в аналогичных системах в других промышленных печи.
Основное исполнение:

Основная часть и материал:


Место происхождения: Китай
Горячие продукты
SEND INQUIRY